
To draft Eccentric Joint using Auto CAD 2016
Auto cad 2016
Draw commands:Line, Rectangle, Poly line, Polygon, Circle, Construction line, Arc, Spline, Ray, Hatch.
Modify commands:Erase,Copy,Mirror,Array,Move,Rotate,Trim,Extend,Stretch,Fillet,Join, Chamfer.
Dimension command:
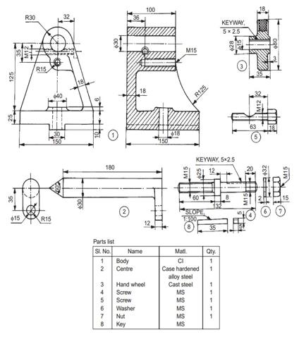
The required Milling machine Tail – Stock drafted using Auto CAD 2016.
Get all latest content delivered to your email a few times a month.
Resources: